卓越品质 科技创新
YB☐-12高压/低压预装式变电站
产品简介
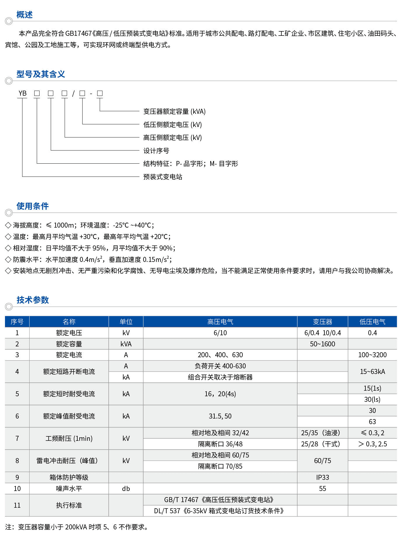
本产品完全符合GB17467《高压/低压预装式变电站》标准。适用于城市公共配电、路灯配电、工矿企业、市区建筑、住宅小区、油田码头、宾馆、公园及工地施工等,可实现环网或终端型供电方式。





